SG30变频减速电机1500W

功率:0.1KW~2.2KW

电压:220V/380V

速比:5~160

扭矩:10~2000N.m


SG30变频减速电机1500W
SG30变频减速电机1500W
SG30变频减速电机1500W
立即咨询

联系热线

190-5756-1776

产品介绍

性能特点

结构设计 :采用直交同心轴型布局,安装形式为立式,便于在空间受限的设备中部署。

应用场景 :主要应用于物流输送线、自动化生产线等工业环境,其硬齿面斜齿轮设计确保了在连续运行中的稳定性。


选型参数

ScreenShot_2025-11-25_085841_893.png

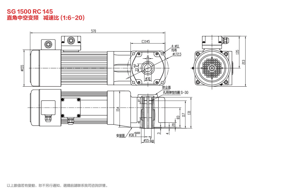
产品图纸

SG30变频减速电机1500W双曲面/直角减速电机图纸

截屏,微信识别二维码

微信号:19057561776

(点击微信号复制,添加好友)